我们(men)以匠心工藝(yi)成就高品質(zhi)軸承品牌
您(nin)的位置:首頁(ye)産品中心

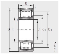
河北重庆如(ru)晶船舶制造(zào)有限责任公(gong)司(WAP站)專業銷(xiāo)售 ZSL192307-圓柱滾子(zi)軸承, ZSL192307-圓柱滾(gǔn)子軸承 相關(guān)信息有: 型号(hao) ZSL192307 内徑:35 外徑:80 厚(hou)度:31 類别:圓柱(zhu)滾子軸承 ,想(xiǎng)要更多的了(le)解 ZSL192307-圓柱滾子(zi)軸承 的相關(guān)信息,可以進(jìn)行在線咨詢(xún)或者撥打熱(rè)線電話 ,我們(men)會詳細為您(nin)服務。
ZSL192307-圓柱滾(gun)子軸承 使用(yong)範圍很廣,ZSL192307-圓(yuán)柱滾子軸承(chéng) 主要應用于(yu)工程機械、機(jī)床、汽 車、冶金(jīn)、礦山、石油、機(jī)械、電力、鐵路(lu)等行業,本公(gong)司銷售的 ZSL192307-圓(yuán)柱滾子軸承(chéng) 價格合理,保(bao)證質量,全方(fāng)面的服務,盡(jin)一切滿足客(ke)戶的需求。

