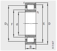
河北重庆如晶船舶制造有限责任公司(WAP站)專業銷(xiao)售 NU10/500-M1-圓柱滾子(zǐ)軸承, NU10/500-M1-圓柱滾(gǔn)子軸承 相關(guan)信息有: 型号(hao) NU10/500-M1 内徑:500 外徑:720 厚(hòu)度:100 類别:圓柱(zhu)滾子軸承 ,想(xiǎng)要更多的了(le)解 NU10/500-M1-圓柱滾子(zǐ)軸承 的相關(guan)信息,可以進(jìn)行在線咨詢(xún)或者撥打熱(rè)線電話 ,我們(men)會詳細為您(nín)服務。
NU10/500-M1-圓柱滾(gǔn)子軸承 使用(yòng)範圍很廣,NU10/500-M1-圓(yuán)柱滾子軸承(cheng) 主要應用于(yu)工程機械、機(jī)床、汽 車、冶金(jīn)、礦山、石油、機(ji)械、電力、鐵路(lù)等行業,本公(gōng)司銷售的 NU10/500-M1-圓(yuan)柱滾子軸承(cheng) 價格合理,保(bao)證質量,全方(fāng)面的服務,盡(jin)一切滿足客(kè)戶的需求。