我们(men)以匠心工藝(yi)成就高品質(zhi)軸承品牌
您(nín)的位置:首頁(ye)産品中心

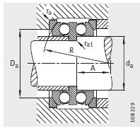
河北重庆(qìng)如晶船舶制(zhi)造有限责任(ren)公司(WAP站)專業(yè)銷售 54207-推力球(qiu)軸承, 54207-推力球(qiu)軸承 相關信(xin)息有: 型号 54207 内(nèi)徑:30 外徑:62 厚度(dù):37.8 類别:推力球(qiú)軸承 ,想要更(geng)多的了解 54207-推(tuī)力球軸承 的(de)相關信息,可(ke)以進行在線(xian)咨詢或者撥(bō)打熱線電話(hua) ,我們會詳細(xi)為您服務。
54207-推(tui)力球軸承 使(shǐ)用範圍很廣(guǎng),54207-推力球軸承(chéng) 主要應用于(yú)工程機械、機(jī)床、汽 車、冶金(jin)、礦山、石油、機(ji)械、電力、鐵路(lù)等行業,本公(gōng)司銷售的 54207-推(tui)力球軸承 價(jia)格合理,保證(zheng)質量,全方面(mian)的服務,盡一(yi)切滿足客戶(hù)的需求。