我们以(yi)匠心工藝成就高(gao)品質軸承品牌
您(nín)的位置:首頁産品(pǐn)中心

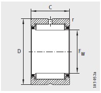
河北重庆如晶船舶制造有限责任公司(WAP站)專業銷(xiao)售 NKS55-機加工滾針軸(zhóu)承, NKS55-機加工滾針軸(zhóu)承 相關信息有: 型(xíng)号 NKS55 内徑:55 外徑:72 厚度(dù):22 類别:機加工滾針(zhēn)軸承 ,想要更多的(de)了解 NKS55-機加工滾針(zhēn)軸承 的相關信息(xī),可以進行在線咨(zī)詢或者撥打熱線(xian)電話 ,我們會詳細(xì)為您服務。
NKS55-機加工(gōng)滾針軸承 使用範(fàn)圍很廣,NKS55-機加工滾(gun)針軸承 主要應用(yong)于工程機械、機床(chuáng)、汽 車、冶金、礦山、石(shí)油、機械、電力、鐵路(lù)等行業,本公司銷(xiao)售的 NKS55-機加工滾針(zhen)軸承 價格合理,保(bǎo)證質量,全方面的(de)服務,盡一切滿足(zu)客戶的需求。

··›·•