我们(men)以匠心工藝成就(jiu)高品質軸承品牌(pai)
您的位置:首頁産(chǎn)品中心

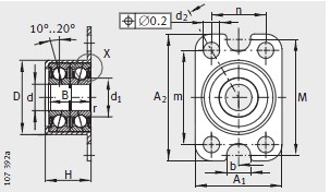
河(he)北重庆如晶船舶(bó)制造有限责任公(gong)司(WAP站)專業銷售 DKLFA30110-2RS3)-絲(sī)杠支撐軸承, DKLFA30110-2RS3)-絲杠(gang)支撐軸承 相關信(xin)息有: 型号 DKLFA30110-2RS3) 内徑:30 外(wài)徑:75 厚度:56 類别:絲杠(gàng)支撐軸承 ,想要更(geng)多的了解 DKLFA30110-2RS3)-絲杠支(zhī)撐軸承 的相關信(xin)息,可以進行在線(xian)咨詢或者撥打熱(re)線電話 ,我們會詳(xiang)細為您服務。
DKLFA30110-2RS3)-絲杠(gang)支撐軸承 使用範(fan)圍很廣,DKLFA30110-2RS3)-絲杠支撐(cheng)軸承 主要應用于(yu)工程機械、機床、汽(qi) 車、冶金、礦山、石油(you)、機械、電力、鐵路等(deng)行業,本公司銷售(shou)的 DKLFA30110-2RS3)-絲杠支撐軸承(chéng) 價格合理,保證質(zhi)量,全方面的服務(wu),盡一切滿足客戶(hù)的需求。


·•••›