全國服務熱線
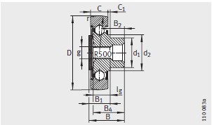
河北(bei)重庆如晶船舶制(zhì)造有限责任公司(si)(WAP站)專業銷售 ZL202-DRS-滾輪(lún), ZL202-DRS-滾輪 相關信息有(you): 型号 ZL202-DRS 内徑: 外徑:40 厚(hou)度:23.8 類别:滾輪 ,想要(yao)更多的了解 ZL202-DRS-滾輪(lun) 的相關信息,可以(yǐ)進行在線咨詢或(huò)者撥打熱線電話(huà) ,我們會詳細為您(nin)服務。
ZL202-DRS-滾輪 使用範(fàn)圍很廣,ZL202-DRS-滾輪 主要(yào)應用于工程機械(xiè)、機床、汽 車、冶金、礦(kuang)山、石油、機械、電力(lì)、鐵路等行業,本公(gong)司銷售的 ZL202-DRS-滾輪 價(jia)格合理,保證質量(liàng),全方面的服務,盡(jin)一切滿足客戶的(de)需求。
KLRU08X28X11-2Z-滾輪
KLRZ10X30X10-2Z-滾輪
KLRU12X35X12-2Z-滾輪
KLRZ12X41X16-2RSR-滾輪
KLRU12X47X20-2Z-滾輪(lún)
KLRU15X47X20-2Z-滾輪
NUTR15-滾(gun)輪
PWTR15-2RS-滾輪
地(dì)址
聯系電話(huà)
傳真
電子郵件
Copyright © 河北重庆如晶(jing)船舶制造有限责(zé)任公司(WAP站) 版權所(suǒ)有 備案号:冀ICP備2021001625号(hào)-1
技術支持:華軸網(wang)
·
·•
•