我(wǒ)们以匠心工藝(yì)成就高品質軸(zhou)承品牌
您的位(wei)置:首頁産品中(zhong)心

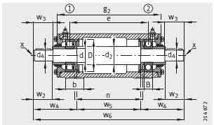
河北(bei)重庆如晶船舶(bo)制造有限责任(ren)公司(WAP站)專業銷(xiao)售 NU311-E-TVP2-C3+6311-C3-軸承座, NU311-E-TVP2-C3+6311-C3-軸承(chéng)座 相關信息有(yǒu): 型号 NU311-E-TVP2-C3+6311-C3 内徑: 外徑(jìng): 厚度: 類别:軸承(cheng)座 ,想要更多的(de)了解 NU311-E-TVP2-C3+6311-C3-軸承座 的(de)相關信息,可以(yǐ)進行在線咨詢(xún)或者撥打熱線(xian)電話 ,我們會詳(xiáng)細為您服務。
NU311-E-TVP2-C3+6311-C3-軸(zhóu)承座 使用範圍(wei)很廣,NU311-E-TVP2-C3+6311-C3-軸承座 主(zhǔ)要應用于工程(cheng)機械、機床、汽 車(che)、冶金、礦山、石油(you)、機械、電力、鐵路(lù)等行業,本公司(si)銷售的 NU311-E-TVP2-C3+6311-C3-軸承座(zuo) 價格合理,保證(zheng)質量,全方面的(de)服務,盡一切滿(man)足客戶的需求(qiú)。
•
•
›
··••