我们(men)以匠心工藝(yì)成就高品質(zhi)軸承品牌
您(nin)的位置:首頁(ye)産品中心

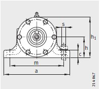
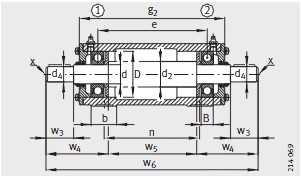
河北(běi)重庆如晶船(chuán)舶制造有限(xiàn)责任公司(WAP站(zhàn))專業銷售 NJ322-E-TVP2-軸(zhóu)承座, NJ322-E-TVP2-軸承座(zuo) 相關信息有(yǒu): 型号 NJ322-E-TVP2 内徑: 外(wai)徑: 厚度: 類别(bié):軸承座 ,想要(yao)更多的了解(jiě) NJ322-E-TVP2-軸承座 的相(xiàng)關信息,可以(yi)進行在線咨(zi)詢或者撥打(da)熱線電話 ,我(wǒ)們會詳細為(wei)您服務。
NJ322-E-TVP2-軸承(chéng)座 使用範圍(wéi)很廣,NJ322-E-TVP2-軸承座(zuo) 主要應用于(yú)工程機械、機(jī)床、汽 車、冶金(jin)、礦山、石油、機(ji)械、電力、鐵路(lu)等行業,本公(gōng)司銷售的 NJ322-E-TVP2-軸(zhóu)承座 價格合(he)理,保證質量(liàng),全方面的服(fú)務,盡一切滿(mǎn)足客戶的需(xū)求。
····
•
›
··••